Wind turbines and their blades are exceptionally large, heavy, and costly to transport. To minimize logistics time and reduce project delays, shippers typically choose the fastest and most efficient transport routes. Over the past years, hundreds of wind turbine components have been secured using CONTECH® lashing equipment, including the T‑12 series, which is widely recognized as one of the most reliable solutions for wind‑blade transport.
The double twistlock T‑12 significantly speeds up vessel loading operations and increases loading density, supporting safer and more efficient stowage of oversized windmill frames. Its design ensures a stable and rigid interconnection between stacked frames, which is critical when transporting long and wind‑sensitive components.
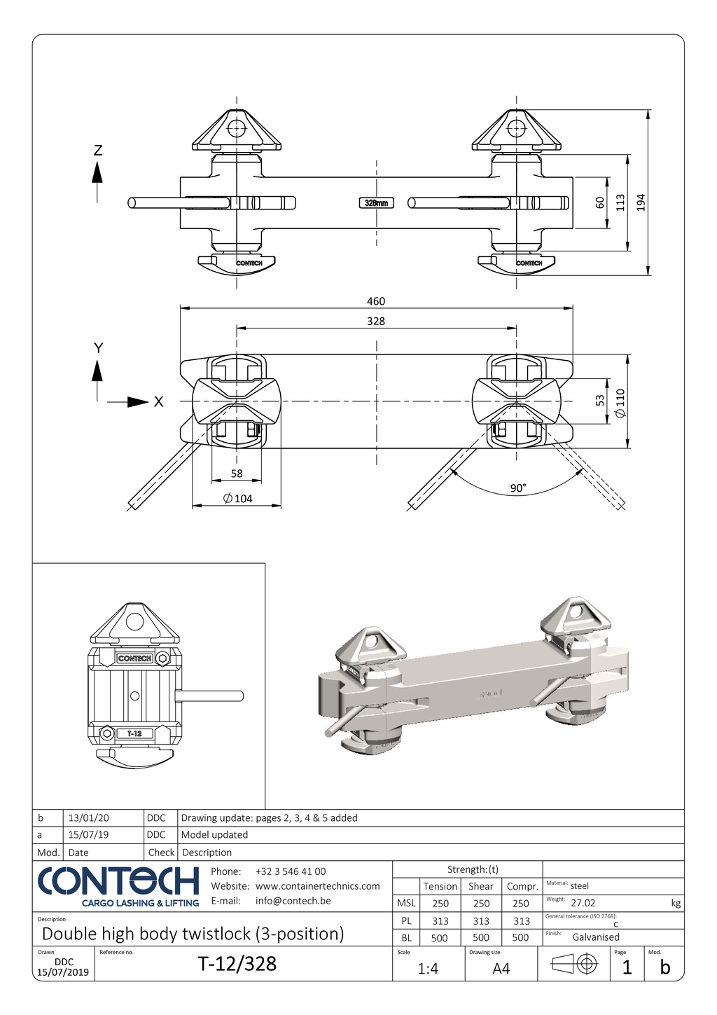
In this blog, we provide deeper insight into the operation, maintenance, repair guidelines and spare parts for the T‑12 system. Dedicated manuals and technical leaflets are available internally and used as reference material during engineering and inspection processes.
The double intermediate twistlock T‑12 is engineered to:
The T‑12 is typically used between intermediate layers of wind‑blade transport frames and can also be applied when standard container twistlock spacing does not suffice.
By combining speed, safety, and durability, the T‑12 has become an essential component in the logistics chain for modern wind‑energy projects.

Align the lower cones with the twistlock body (Picture 1)
Both levers are in the mid-position as indicated on the right figure.
Insert the double twistlock in the lower Wind Turbine Blade frame or container. (Picture 2)
Align the top cones with the body’s (Picture 3)
Both levers are in the right position, top cones are now open.
Lowering top Wind Turbine Blade frame or container (Picture 4)
Lock the twistlocks (Picture 5)
Shift both levers to the left position.
It’s recommended to inspect and clean the double twistlock on a regular basis. This includes greasing the movable parts and checking the functioning of the mechanisms and spring action. Twistlocks with damaged cones or bodies are to be scrapped. Other damaged elements (bolts, spring,.. ) can be replaced as described in the repair instruction.
By removing the bolts and nuts, the body halves can be separated. Cone assembly, spring and ball can be removed.
Please enter your contact details and query below and our team will reply to your request today. Fields marked * are required