
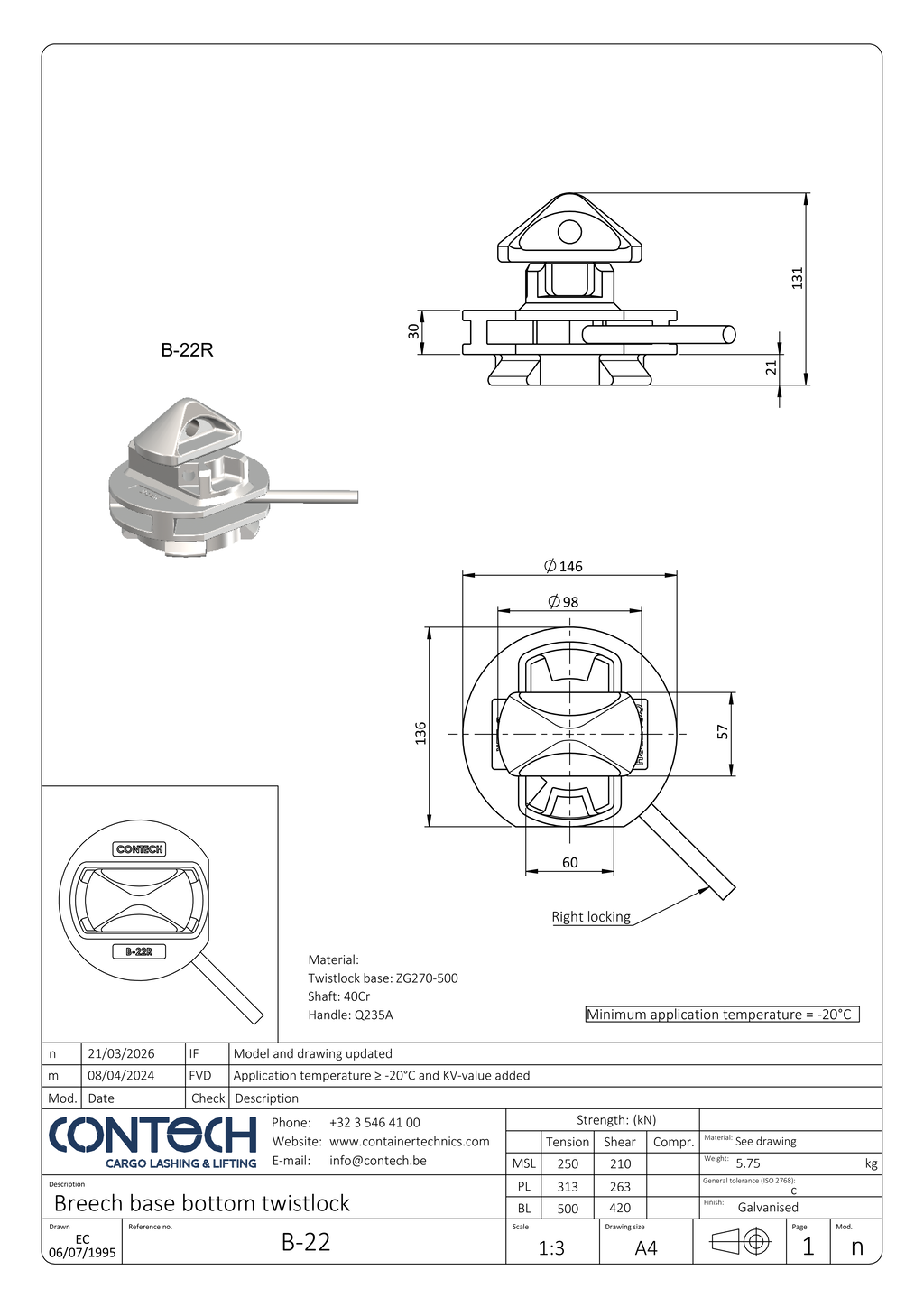
B-22 Breech base twist lock
The CONTECH® breech base twist lock B-22 is bottom twist lock used in combination with a raised breech base foundation FR-22 or foundation flush socket FF-31 to secure the corner castings of containers on board of a vessel. The twistlock can be easily inserted in the socket by rotating, there’s no additional space around the foundation required.

F1-7, CV-3 / CV-4, F656, CPM-1L, BF-66, B37