
B-55L Line load U-frame twistlock
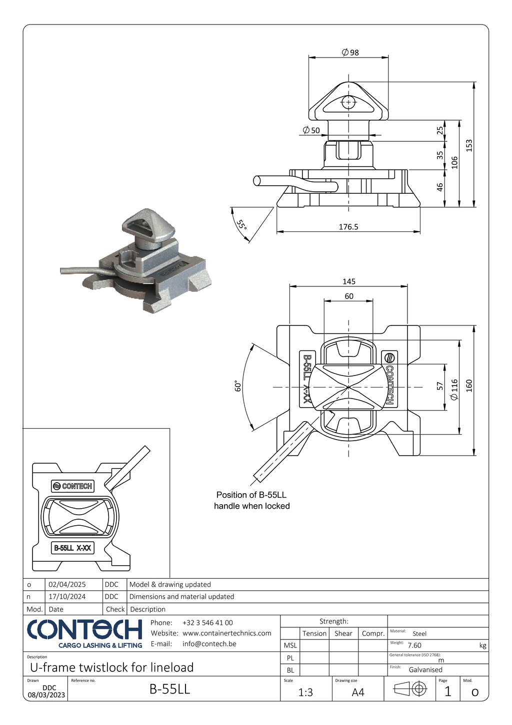
The CONTECH® dovetail or U-frame line load twistlock B-55LL is a bottom twistlock used in combination with a dovetail or U-frame FR-34, FR-34BQ (elongated) or a double FR-35B/A of 55 degrees to secure the corner castings of containers on board of a vessel. The shaft of the twistlock is longer than the one of a regular one and is therefore only to be used in the recesses of a line load hatch cover.

F1-2L/A/25, TL-BLL, CV-2N, BF-11-55LL