
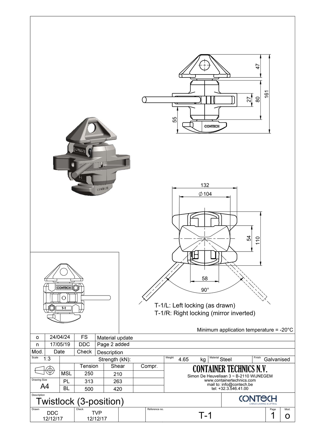
T-1 Intermediate twistlock
The CONTECH® intermediate twist lock T-1 is a manual twistlock which is used to secure two containers together. They have a breaking load of 50 tons and are available in right or left locking mechanism.

F4L, TL-L, CV-8, CV-2N, CV5N, K-6 GS, K-6 R/GS, F4768, IF-51, BD-A2/BD-A3, T 2.16-C, T 2.17-C, T 2.22-C, CM 2361244, B6.12, B 36, 231811